Узлы сэндвич-панелей - Технические решения
- Правила монтажа
- Для стеновых панелей
- Для кровельных панелей
Указания по обращению и монтажу панелей.
-
н
- 1) Запрещается транспортировать несколько пакетов одновременно на строй площадке.
- 2) Запрещается транспортировать погрузчиком пачки длиной более 6м. При такой длине пачки разлет вил погрузчика должен составлять не менее 1,7м. (между нижним листом в пачке и вилами погрузчика обязательно предусматриваются демпфирующие прокладки)
- 3) Для разгрузки и перемещения пакетов панелей запрещается использовать стальные стропы и цепи.
- 4) При перемещении панелей длиной менее 3,5м, расстояние между текстильными стропами принимают равным 2/3 длины пакета.
- 5) Для перемещения пакетов длиной 6м и более необходимо использовать траверсу, оснащенную текстильными стропам.
- 6) Панели в пакетах следует хранить в заводской упаковке в закрытом помещении или под навесом. (Допускается кратковременное хранение пакетов под открытым небом при условии сохранности заводской упаковки и защиты пакетов от осадков водонепроницаемым материалом с возможностью проветривания пакетов.)
- 7) При складировании пакеты необходимо укладывать на подкладки на твердой, ровной поверхности. При многоярусном складировании подкладки необходимо ориентировать в одной вертикали относительно подкладок нижней панели. Высота штабеля не должна превышать 2,5м.
- 8) Для естественного отведения поверхностных вод уклон площадки складирования должен составлять не менее 3%. Пакеты так же устанавливаются с уклоном для обеспечения стока воды.
- 9) Манипуляции с отдельными панелями, в зависимости от их размера и массы, разрешено осуществлять следующими способами: -механизированным^ использованием специальных монтажных приспособлений)- могут быть рекомендованы производителем. -вручную и при помощи текстильных строп -с использованием специального оборудования с вакуумными присосками.
- 10) При перемещении панелей необходимо следить за тем, чтобы был исключен значительный прогиб. В противном случае он может привести к деформации замков и неплотном прилегании панелей при монтаже.
- 11) Запрещается использовать для резки панелей УШМ(болгарки).
- 12) Между ламелями необходимо применять предохранительные прокладки, предотвращающие порчу отделочного слоя.
- 13) Монтаж не рекомендуется производить в дождливую погоду и при скорости ветра более 8 метров в секунду.
- 14) После завершения монтажа с панелей удаляется защитная пленка.
- 15) Запрещается ходить по панелям!
- 16) С целью избежания царапин на панелях, съем каждой верхней панели с пачки для последующего монтажа осуществляется путем её сдвига таким образом, чтобы поперечные торцы сдвигаемой и следующей под ней панели были параллельны. Сдвиг панелей друг относительно друга вдоль продольной оси панелей ЗАПРЕЩЕН.
- 17) Во избежание отрыва металлических обкладок панелей от утеплителя съем панелей с пачки вручную( равно как и перенос вручную) путем подъема панели за её верхнюю металлическую обшивку строго ЗАПРЕЩЕН.
- 18) Удары по панелям при монтаже, установке креплений, заделке стыков и примыканий НЕ допускаются.
- 19) Крепление к панелям лестниц, промышленных проводок, технологического оборудования и арматуры НЕ допускается.
- 20) Поверхность стальных листов панелей следует очищать с применением моющих средств, не вызывающих повреждения защитных покрытий листов.
- 21) Не допускается применять для очистки и мытья поверхности панелей песок, щелочи и другие вещества, которые могут повредить защитные покрытия металлических листов.
При несоблюдении вышеперечисленных требований, претензии не принимаются!
Смотреть правила монтажа в полном размере
Узлы стеновых сэндвич панелей
Устойчивая установка сэндвич панелей обеспечивается предварительной сборкой несущего каркаса или наличием имеющихся строительных конструкций для крепления сэндвич-панелей и распределения весовых нагрузок. Сами стеновые сэндвич панели, используемые в качестве ограждений, не рассчитаны на применение их в качестве несущих конструкций.
Несущий каркас здания может быть собран из фасонного металлопроката или деревянного бруса. Фундаментное основание здания, в зависимости от вида грунтов, может быть ленточным, плитным или с ростверком по забитым сваям. Способ сборки сэндвич панелей зависит от наличия цокольной части и ширины опорной ленты фундаментной конструкции.
Установка стеновых панелей на фундаментные конструкции
Узлы сэндвич панелей могут быть установлены с опорой на фундамент или закреплены на нем с боковым примыканием. В местах опорной установки на цоколь предусматривается наличие тепловой изоляции или деревянного бруса, а так же отливов из доборных элементов которые укладываются по всему периметру здания.
При навесном монтаже панелей на цокольную часть фундамента закрепляются два уголка. Один служит несущей опорой, а второй удерживает панель в вертикальном положении. Между цоколем и сэндвич панелью предусмотрена прокладка полосы уплотняющего материала. Защита от неблагоприятных воздействий атмосферных осадков обеспечивается установкой доборов в виде отлива по всей линии примыкания.
-
Схема примыкания к цоколю стеновой панели (вертикальный монтаж). -
Схема примыкания к цоколю стеновой панели (горизонтальный монтаж).
-
Соединение стеновых сэндвич панелей по внутреннему углу. -
Обрамление окон при монтаже зданий из сэндвич панелей.
-
Обрамление ворот при монтаже зданий из сэндвич панелей. -
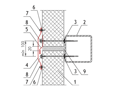
Крепление сэндвич панелей стеновых к железобетонной колонне.
-
Монтаж стенового температурного/деформационного шва. -
Примыкание стеновой сэндвич панели к существующей стене.
-
Крепление сэндвич панелей стеновых к ригелю. -
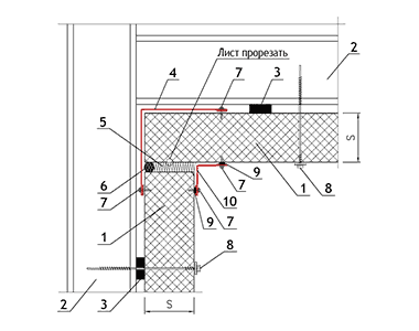
Оформление стыка стеновых сэндвич панелей по наружному углу.
Сборка стеновой конструкции
Монтаж узлов сэндвич-панелей может быть выполнен с наружным или внутренним расположением частей несущего каркаса. В каждом случае все торцевые участки должны быть защищены гидроизоляционным слоем и металлическими доборами соответствующего профиля.
Крепление сэндвич панелей к несущему каркасу производится длинными саморезами с шайбами на резиновых прокладках. Стыки между листами должны предусматривать наличие дополнительной тепловой изоляции и гидроизолирующей прокладки.
Рядовые и угловые стыки для защиты от атмосферных воздействий перекрываются доборными элементами. Наилучшим вариантом крепления является совпадение элемента несущего каркаса со стыком между сэндвич панелями, поскольку в этом случае обеспечено дополнительное уплотнение стыка.
Узлы кровельных сэндвич панелей
Конструкция узлов сэндвич-панелей всегда предусматривает наличие гидроизолирующих прокладок, тепловой изоляции и защитного покрытия доборным элементом. При этом каждый стык должен быть защищен установкой доборного элемента из листовой стали. Закрепление самих панелей на части несущего каркаса из фасонного металлопроката производится с использованием длинных саморезов с шайбами на резиновых прокладках.
Два вида стыков при монтаже
В зависимости от принятого типа уклонов ската крыши и наличия свесов изоляция стыков в узлах примыкания к стеновым элементам может быть простой или усиленной. Простая защита стыков во время сборки сэндвич панелей предусматривает укладку уплотнительной ленты поверх минераловатного утеплителя. При усиленной изоляции в верхнем пространстве стыка располагается гидроизоляционный слой.
Коньковые доборы устанавливаются после крепления сэндвич-панели на несущих конструкциях, уплотнения стыка тепловой изоляцией и перекрытия ее изолирующей лентой. Сам конек фиксируется с помощью саморезов к металлу панели.
Устройство деформационных швов кровли
В ходе монтажа кровли большой площади необходимо предусматривать наличие специальных швов для компенсации температурных расширений при нагреве и охлаждении конструкций.
В этих местах между панелями оставляется зазор 30-40 мм, который перекрывается конструкцией из опорного доборного элемента, минераловатного заполнителя и перекрывающего элемента, способного изменять форму при растяжении и сжатии.
Узлы свесов кровли
При устройстве свесов торцы узлов сэндвич панелей должны быть надежно изолированы от возможного воздействия влаги. Это делается с помощью ленты и установки доборов соответствующей формы, которая зависит от толщины панели.
В верхней части торца панели необходимо установить специальный уплотнитель, который полностью перекроет возможность доступа воды во время осадков. Всё крепление сэндвич-панелей в данном узле выполняются на саморезах с резиновыми уплотнителями.
Установка защитных доборов, при установке сэндвич панелей, производится не только снаружи, но и изнутри здания.





















Крепление сэндвич панелей к стальной стойке.
Соединение стеновых сэндвич панелей по наружному углу.
Основные данные и характеристики.
Схема монтажа односкатной кровли.
Монтаж соединения кровельной и стеновой панелей.
Монтаж свеса кровли.
Примыкание кровли к существующей стене.
Монтаж парапета.
Монтаж конька кровли.
Температурный/деформационный шов на кровле.
Ендова кровли.
Основные данные и характеристики.