Доборные элементы для сэндвич-панелей
Монтаж ограждающих конструкций из сэндвич-панелей неизбежно связан с образованием многочисленных стыков и зазоров между элементами здания (места примыкания кровли к стене, угловые соединения, участки стен и цоколя). Для их герметизации применяются доборные элементы. Эти фасонные изделия выполняют ключевые задачи: надёжно замыкают тепловой контур сооружения, защищают внутренний наполнитель панелей от внешних воздействий и придают строению завершённый, эстетичный, а иногда и уникальный внешний вид.
Наша компания специализируется на производстве доборных элементов для сэндвич-панелей любых конфигураций и размеров. Заказать и купить фасонные изделия вы всегда можете через наш сайт. Чтобы помочь нашим партнёрам и потенциальным заказчикам в Пятигорске, ниже в таблице мы приводим типовые варианты изготовления доборных элементов для различных узлов здания.
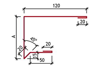
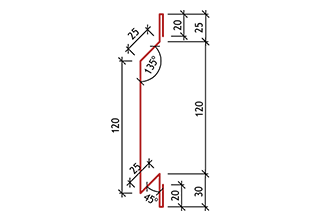
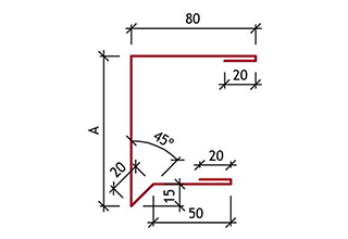
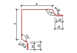
Доборные элементы для кровли и стен производятся из оцинкованной стали толщиной до 0,7 мм с полимерным покрытием. Цветовая гамма элементов может полностью соответствовать оттенку основных сэндвич-панелей и подбирается по каталогу RAL в строгом соответствии с пожеланиями клиента.
- Кровельные
- Стеновые
- Цокольные
- Угловые
- Для ворот
- Для окон
-
Вид изделия Код элемента
К-1 -
Вид изделия Код элемента
К-2 -
К-3 -
К-4 -
К-5 -
К-6 -
К-7 -
К-8 -
К-9 -
К-10 -
К-11 -
К-12 -
К-13 -
К-14 -
К-15 -
К-16 -
К-17 -
К-18 -
К-19 -
К-20
-
Вид изделия Код элемента
С-1 -
Вид изделия Код элемента
С-2 -
С-3 -
С-4 -
С-5 -
С-6 -
С-7 -
С-8
-
Вид изделия Код элемента
Ц-1 -
Вид изделия Код элемента
Ц-2 -
Ц-3 -
Ц-4 -
Ц-5 -
Ц-6 -
Ц-7 -
Ц-8 -
Ц-9
-
Вид изделия Код элемента
У-1 -
Вид изделия Код элемента
У-2 -
У-3 -
У-4 -
У-5
-
Вид изделия Код элемента
В-1 -
Вид изделия Код элемента
В-2 -
В-3 -
В-4 -
В-5 -
В-6 -
В-7 -
В-8
-
Вид изделия Код элемента
О-1 -
Вид изделия Код элемента
О-2 -
О-3 -
О-4 -
О-5 -
О-6 -
О-7
Комплектующие для сэндвич-панелей
Возведение зданий и ограждающих конструкций из сэндвич-панелей почти всегда требует покупки дополнительных комплектующих. Закрытие зазоров и стыков между составными частями необходимо для придания конструкции монолитного вида и обеспечения качественной теплоизоляции. Наша компания предлагает клиентам в Пятигорске приобрести комплектующие для сэндвич-панелей по конкурентным ценам.
Ассортимент нашей продукции включает следующие категории дополнительных материалов:
- Цокольные элементы;
- Стеновые планки;
- Кровельные комплектующие;
- Угловые элементы;
- Комплектующие для обрамления ворот и окон.
Наше производственно-торговое предприятие изготавливает высококачественную продукцию, соответствующую строгим стандартам. Мы также выполняем проектные, сборочные и монтажные работы любой сложности.
Декоративные нащельники
Для маскировки стыков и других мелких изъянов, возникающих в процессе монтажа, используются декоративные (притворные) планки. Эти элементы устанавливаются на финальном этапе облицовки. В комплексе с угловыми элементами и откосами декоративные планки выполняют несколько функций:
- Обеспечивают дополнительную шумоизоляцию;
- Защищают утеплитель от проникновения влаги и атмосферных осадков;
- Препятствуют утечке тепла.
При выборе нащельников важно учитывать их особенности. Вертикальные притворные планки монтируют по направлению снизу вверх. В качестве крепежа рекомендуется использовать саморезы, оснащённые резиновыми шайбами, которые располагают с шагом примерно 30 см. Перед фиксацией планки место стыка желательно обработать влагостойким силиконовым герметиком.
Приспособления для монтажа
Доставка материалов к месту строительства быстровозводимого объекта имеет свои особенности. Необходимо обеспечить безопасную транспортировку, подъём, строповку и установку сэндвич-панелей. Для их перемещения к точке монтажа применяются:
- Механические захваты;
- Текстильные стропы;
- Вакуумные подъёмники.
Использование текстильных строп — экономичный, но не самый практичный метод. Сложности в процессе строповки могут привести к падению и порче материала. Вакуумные захваты значительно удобнее в работе, но требуют более высоких затрат.
Для безопасной транспортировки вы можете заказать зажимы для сэндвич-панелей в нашей организации. Струбцинные и клещевые захваты широко используются строительными компаниями, специализирующимися на быстровозводимых объектах. Это оборудование позволяет точно регулировать усилие, необходимое для кантования материала. Чтобы купить доборные элементы или другую продукцию, свяжитесь с нашими менеджерами по телефону.






































